| Cikkszám | Rövid Cikkszám | Weight g | Profile | Step fájl | Ár / DB | Mennyiség | Árajánlat kérés |
|---|---|---|---|---|---|---|---|
| 095071 | 126998 | 262.7 | B | Letöltés 095071.step | 3 427 Ft +Áfa |
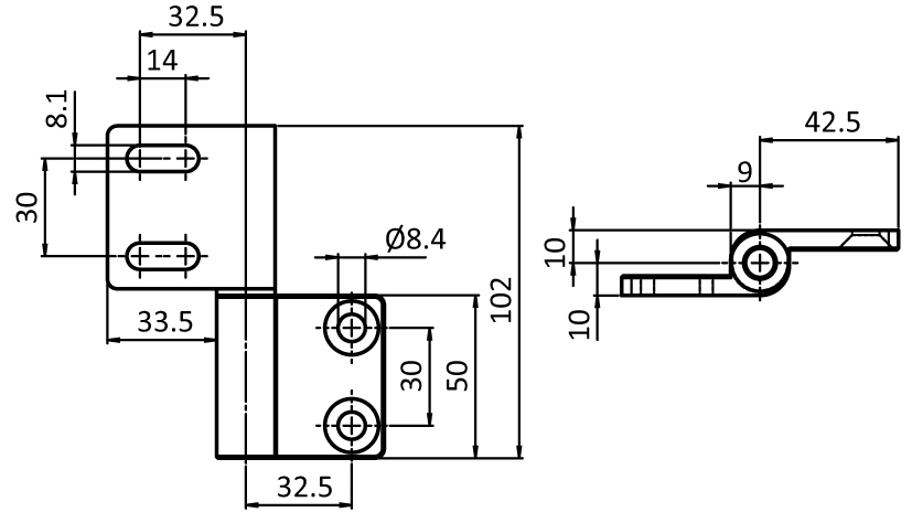
Heavy Aluminum Hinge (Set)
Model
Detachable, adjustable
Material
Wings: Aluminum die-cast
Pin: Stainless steel
További információ
Color
Pack Quantity
2 set
Specials
Surface
Anodized
Tip





